產品型號: D671F
產品口徑: DN40~1200
產品壓力: 1.0MPa~1.6MPa
產品材質: 球鐵、鑄鋼、不銹鋼等
上海蝶閥D671F氣動四氟蝶閥產品說明:
|
上海蝶閥D671F氣動四氟蝶閥又叫氣動對夾蝶閥,具有體積小、輕便宜人、性能可靠、配套簡單、流通能力大,特別是適合于介質是粘稠、含顆粒、纖維性質的場合。電動蝶閥廣泛應用于食品、環保、輕工、石油、造紙、化工、教學和科研設備、電力等行業的工業自動控制系統中。 |
|
D671F氣動四氟蝶閥產品特點: |
|
1、閥體只需最小的安裝空間,任務原理容易牢靠。
2、具有很大的流通性能,經過閥門的壓力損失極小。
3、具有十分明顯的經濟性。
4、閥體配合規范的凸面管道法蘭。
5、近似等百分比的流量特性,可用于調節或開關式控制。
6、采用特殊的閥座密封合適于介質較干凈的液體和氣體。 |
|
上海蝶閥D671F氣動四氟蝶閥技術參數及性能: |
|
|
執行器技術參數 |
閥體參數 |
|
氣壓 |
0.3MPa-0.7MPa |
公稱通徑 |
DN100~1200mm |
|
輸出力矩 |
3~10000N·M |
公稱壓力 |
PN0.1~1.6MPa |
|
任選功能 |
雙作用、但作用零件材料 |
閥軸材質 |
碳鋼、2cr13、304/316不銹鋼 |
|
零件材料 |
殼體:鋁合金表面陽極化處理。
端蓋:鋁合金表面噴塑處理。
活塞/齒條:鋁合金 |
閥體材質 |
球墨鑄鐵、 碳鋼、不銹鋼 |
|
密封O型圈 |
丁睛橡膠=NBR70 |
閥板材質 |
304/316/316L不銹鋼 |
|
軸承墊圈/導環 |
塑料 |
閥座密封 |
PTFE |
|
動作時間 |
1-5秒 |
結構形式 |
中線 |
|
環境溫度 |
-20°~90° |
溫度 |
PTFE≤150℃ |
|
氣動附件 |
電磁閥、電氣定位器、
限位開關、氣源處理三聯件
(有減壓器、過濾器、油霧器)
手輪機構。 |
適用介質 |
酸、堿等腐蝕介質 |
|
特點 |
超寬面齒條(活塞)小齒輪傳動技術、
活塞及齒輪和殼體接觸面有低磨擦
材料制成的滑動軸承襯套、導向。
單作用式有保險彈簧座。1 |
特點 |
用途廣、整體造價低、流量大、流阻小 |
|
|
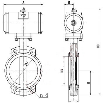
上海蝶閥D671F氣動四氟蝶閥外形及連接尺寸: |
|
|
公稱通徑 |
結構長度
(標準值) |
外形尺寸
(參考值) |
連接尺寸
(標準值) |
|
|
|
|
0.6MPa |
1.0MPa |
1.6MPa |
|
毫米 |
英寸 |
L |
H |
H0 |
A |
B |
D0 |
n-d |
D0 |
n-d |
D0 |
n-d |
|
50 |
2 |
43 |
63 |
315 |
180 |
65 |
110 |
4-14 |
125 |
4-18 |
125 |
4-18 |
|
65 |
21/2 |
46 |
70 |
330 |
180 |
65 |
130 |
4-14 |
145 |
4-18 |
145 |
4-18 |
|
80 |
3 |
46 |
83 |
390 |
245 |
72 |
150 |
4-18 |
160 |
8-18 |
160 |
8-18 |
|
100 |
4 |
52 |
105 |
431 |
240 |
72 |
170 |
4-18 |
180 |
8-18 |
180 |
8-18 |
|
125 |
5 |
56 |
115 |
455 |
240 |
72 |
200 |
8-18 |
210 |
8-18 |
210 |
8-18 |
|
150 |
6 |
56 |
137 |
626 |
350 |
93 |
225 |
8-18 |
240 |
8-22 |
240 |
8-22 |
|
200 |
8 |
60 |
164 |
720 |
350 |
93 |
280 |
8-18 |
295 |
8-22 |
295 |
12-22 |
|
250 |
10 |
68 |
206 |
800 |
550 |
350 |
335 |
12-18 |
350 |
12-22 |
355 |
12-26 |
|
300 |
12 |
78 |
230 |
860 |
600 |
350 |
395 |
12-22 |
400 |
12-22 |
410 |
12-26 |
|
350 |
14 |
78 |
248 |
883 |
600 |
350 |
445 |
12-22 |
460 |
16-22 |
470 |
16-26 |
|
400 |
16 |
102 |
289 |
972 |
600 |
350 |
495 |
16-22 |
515 |
16-26 |
525 |
16-30 |
|
450 |
18 |
114 |
320 |
1043 |
750 |
380 |
550 |
16-22 |
565 |
20-26 |
585 |
20-30 |
|
500 |
20 |
127 |
343 |
1098 |
750 |
380 |
600 |
20-22 |
620 |
20-26 |
650 |
20-33 |
|
600 |
24 |
154 |
413 |
1236 |
750 |
380 |
705 |
20-26 |
725 |
20-30 |
770 |
20-36 |
|
700 |
28 |
165 |
478 |
1431 |
750 |
380 |
810 |
24-26 |
840 |
24-30 |
840 |
24-36 |
|
800 |
32 |
190 |
525 |
1488 |
750 |
380 |
920 |
24-30 |
950 |
24-33 |
950 |
24-39 |
|
900 |
36 |
203 |
620 |
1615 |
1250 |
380 |
1020 |
24-30 |
1050 |
28-33 |
1050 |
28-39 |
|
1000 |
40 |
216 |
725 |
1765 |
1500 |
580 |
1120 |
28-30 |
1160 |
28-36 |
1170 |
28-42 |
|
1200 |
48 |
254 |
780 |
1976 |
1500 |
580 |
1340 |
32-33 |
1380 |
32-39 |
1390 |
32-48 |
|

免責聲明:本文系網絡轉載,版權歸原作者所有。但因轉載眾多,或無法確認真正原始作者,如涉及作品版權問題,請與我們聯系,我們將在第一時間協商版權問題或刪除內容!內容為作者個人觀點,并不代表本網站贊同其觀點和對其真實性負責!
聲明:本文中所有文字、數據、圖片均只適用于參考,閥門性能參數、結構尺寸參數、價格等詳情,請聯系我們,電話:021-61128612。上海惠夏閥門制造有限公司官網:m.altravision.com.cn。
上海調節閥|上海閥門廠家|截止閥廠家|上海蝶閥|上海閘閥